Cautare

Roti si role pentru stivuitoare

Roti si role transpalet manual Roti tractiune transpalet electric Roti stabilizatoare transpalet electric Role furca transpalet electric

Roti si role aparatura

Roti si role aparatura Swede-Wheel

Roti si role industriale

Roti si role cu bandaj TPE (EP) Roti si role cu cauciuc standard (GB) Roti si role cu cauciuc standard (WB) Roti si role cu cauciuc standard (GK) Roti si role cu cauciuc standard (WK) Roti si role cu cauciuc elastic (BN) Roti si role cu cauciuc elastic (DAK) Roti si role cu cauciuc elastic (WE) Roti si role cu poliuretan 92ShA (PAK) Roti si role cu poliuretan 95ShA(RNK) Roti si role cu poliuretan 75ShA (TAK) Roti si role cu poliuretan 96ShA (DS) Roti si role din poliamida (KN) Roti si role din poliamida (KNG) Roti si role din poliamida (KNK) Roti si role din polipropilena (MMK) Roti si role antistatice (EAK) si (EFK) Roti si role pentru sine (FMK) Roti si role cu bandaj ergonomic Roti si role termorezistente Roti si role inoxidabile Roti si role pneumatice

Roti si role heavy-duty

Roti si role din poliamida (KSK) Roti si role din poliamida (MSK) Roti si role cu cauciuc elastic (DFK) Roti si role cu poliuretan 92ShA (PFK) Roti si role cu poliuretan 75ShA (TFK) Role cu poliuretan 92ShA (PGK) Roti pentru sine (OMK) Roti si role din otel (OGK)

Bile de transfer

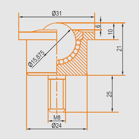
Bile de transfer KO-15 T

 

   Bilele de transfer KO-T cu un știft filetat sunt concepute pentru a transfera sarcini de la 10 kg la 500 kg, nu mai rapid de 1 m / s.
   Carcasa lor este realizată dintr-o tijă plină de oțel, care este protejată corespunzător de condițiile meteorologice. Aceasta este realizat
ă prin cromarea elementelor, ceea ce le extinde semnificativ durabilitatea. Billee de înaltă calitate sunt plasate în interior, de asemenea cromate, care permite o mișcare lină a obiectelor pe suprafața mesei.
   Bilele pot fi montate pe mese de bilă în găuri filetate sau de trecere, fixat cu o piuliță de jos.
   Temperatura de lucru: -30 ° C / + 70 °

 

 

         

          Preț: 7.28 Euro fără TVA





Preturile pentru produsul Bile de transfer KO-15 T sunt exprimate in Euro fara TVA si se factureaza la cursul BNR din ziua precedenta.