Cautare

Roti si role pentru stivuitoare

Roti si role transpalet manual Roti tractiune transpalet electric Roti stabilizatoare transpalet electric Role furca transpalet electric

Roti si role aparatura

Roti si role aparatura Swede-Wheel

Roti si role industriale

Roti si role cu bandaj TPE (EP) Roti si role cu cauciuc standard (GB) Roti si role cu cauciuc standard (WB) Roti si role cu cauciuc standard (GK) Roti si role cu cauciuc standard (WK) Roti si role cu cauciuc elastic (BN) Roti si role cu cauciuc elastic (DAK) Roti si role cu cauciuc elastic (WE) Roti si role cu poliuretan 92ShA (PAK) Roti si role cu poliuretan 95ShA(RNK) Roti si role cu poliuretan 75ShA (TAK) Roti si role cu poliuretan 96ShA (DS) Roti si role din poliamida (KN) Roti si role din poliamida (KNG) Roti si role din poliamida (KNK) Roti si role din polipropilena (MMK) Roti si role antistatice (EAK) si (EFK) Roti si role pentru sine (FMK) Roti si role cu bandaj ergonomic Roti si role termorezistente Roti si role inoxidabile Roti si role pneumatice

Roti si role heavy-duty

Roti si role din poliamida (KSK) Roti si role din poliamida (MSK) Roti si role cu cauciuc elastic (DFK) Roti si role cu poliuretan 92ShA (PFK) Roti si role cu poliuretan 75ShA (TFK) Role cu poliuretan 92ShA (PGK) Roti pentru sine (OMK) Roti si role din otel (OGK)

Bile de transfer

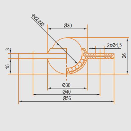
Bile de transfer KU-22 B

 

   Bile de transfer cu șurub KU-B, numite și saturn, pot transfera sarcini în intervalul de la 15 kg
până la 70 kg, nu mai repede de 1 m / s.
   Datorită asamblării ușoare cu șuruburi, acestea sunt de mare interes pentru designerii care găsesc o utilizare largă pentru ei. Carcasa acestor elemente este presată din tabl
ă de oțel, care este apoi protejată împotriva efectelor condițiilor meteorologice. Galvanizarea extinde considerabil durabilitatea materialelor. O bilă de oțel de înaltă calitate este plasată și presată în interior, ceea ce permite o  mișcare lină a obiectelor de pe suprafața mesei cu bilă sau a stației de asamblare.
   Versiunile ușoare ale elementelor cu bilă sunt montate pe masă cu două șuruburi și versiunile grele
cu trei.
   Temperatura de lucru: -30 ° C / + 70 ° C

 

 

         

          Preț: 1.58 Euro fără TVA





Preturile pentru produsul Bile de transfer KU-22 B sunt exprimate in Euro fara TVA si se factureaza la cursul BNR din ziua precedenta.