Cautare
Roti si role pentru stivuitoare
Roti si role transpalet manual
Roti tractiune transpalet electric
Roti stabilizatoare transpalet electric
Role furca transpalet electric
Roti si role aparatura
Roti si role aparatura Swede-WheelRoti si role industriale
Roti si role cu bandaj TPE (EP) Roti si role cu cauciuc standard (GB) Roti si role cu cauciuc standard (WB) Roti si role cu cauciuc standard (GK) Roti si role cu cauciuc standard (WK) Roti si role cu cauciuc elastic (BN) Roti si role cu cauciuc elastic (DAK) Roti si role cu cauciuc elastic (WE) Roti si role cu poliuretan 92ShA (PAK) Roti si role cu poliuretan 95ShA(RNK) Roti si role cu poliuretan 75ShA (TAK) Roti si role cu poliuretan 96ShA (DS) Roti si role din poliamida (KN) Roti si role din poliamida (KNG) Roti si role din poliamida (KNK) Roti si role din polipropilena (MMK) Roti si role antistatice (EAK) si (EFK) Roti si role pentru sine (FMK) Roti si role cu bandaj ergonomic Roti si role termorezistente Roti si role inoxidabile Roti si role pneumaticeRoti si role heavy-duty
Roti si role din poliamida (KSK) Roti si role din poliamida (MSK) Roti si role cu cauciuc elastic (DFK) Roti si role cu poliuretan 92ShA (PFK) Roti si role cu poliuretan 75ShA (TFK) Role cu poliuretan 92ShA (PGK) Roti pentru sine (OMK) Roti si role din otel (OGK)Bile de transfer
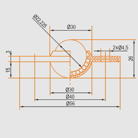
Bile de transfer KU-22 BP
Bile de transfer cu șurub KU-BP, numite și saturn, pot transfera sarcini în intervalul de la 10 kg
până la 25 kg, nu mai repede de 1 m / s.
Datorită asamblării ușoare cu șuruburi, acestea sunt de mare interes pentru designerii care găsesc o utilizare largă pentru ei. Carcasa acestor elemente este presată din tablă de oțel, care este apoi protejată împotriva efectelor condițiilor meteorologice. Galvanizarea extinde considerabil durabilitatea materialelor. O bilă de plastic este plasată și presată în interior, ceea ce permite o mișcare lină a obiectelor de pe suprafața mesei cu bilă sau a stației de asamblare.
Versiunile ușoare ale elementelor cu bilă sunt montate pe masă cu două șuruburi.

Preț: 3.53 Euro fără TVA
Preturile pentru produsul Bile de transfer KU-22 BP sunt exprimate in Euro fara TVA si se factureaza la cursul BNR din ziua precedenta.