Cautare
Roti si role pentru stivuitoare
Roti si role transpalet manual
Roti tractiune transpalet electric
Roti stabilizatoare transpalet electric
Role furca transpalet electric
Roti si role aparatura
Roti si role aparatura Swede-WheelRoti si role industriale
Roti si role cu bandaj TPE (EP) Roti si role cu cauciuc standard (GB) Roti si role cu cauciuc standard (WB) Roti si role cu cauciuc standard (GK) Roti si role cu cauciuc standard (WK) Roti si role cu cauciuc elastic (BN) Roti si role cu cauciuc elastic (DAK) Roti si role cu cauciuc elastic (WE) Roti si role cu poliuretan 92ShA (PAK) Roti si role cu poliuretan 95ShA(RNK) Roti si role cu poliuretan 75ShA (TAK) Roti si role cu poliuretan 96ShA (DS) Roti si role din poliamida (KN) Roti si role din poliamida (KNG) Roti si role din poliamida (KNK) Roti si role din polipropilena (MMK) Roti si role antistatice (EAK) si (EFK) Roti si role pentru sine (FMK) Roti si role cu bandaj ergonomic Roti si role termorezistente Roti si role inoxidabile Roti si role pneumaticeRoti si role heavy-duty
Roti si role din poliamida (KSK) Roti si role din poliamida (MSK) Roti si role cu cauciuc elastic (DFK) Roti si role cu poliuretan 92ShA (PFK) Roti si role cu poliuretan 75ShA (TFK) Role cu poliuretan 92ShA (PGK) Roti pentru sine (OMK) Roti si role din otel (OGK)Bile de transfer
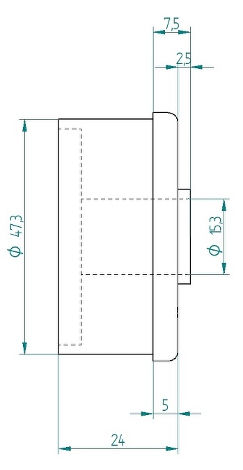
Capat rola transportoare KTR 50×1.5-15 6003
Capacul de plastic pentru rulmenți este o componentă utilizată la fabricarea rolelor de transport utilizate în benzile transportoare industriale. Capacul cu rulment cu bile 6003, cu diametrul de 50 mm, se caracterizează prin funcționarea sa lină.
Un alt avantaj este asamblarea sa ușoară prin presare în tuburi din PVC sau oțel. Acest lucru permite producerea simplă și rapidă a unei role transportoare cu lățimea necesară.

Preț: 2.74 Euro fără TVA
Preturile pentru produsul Capat rola transportoare KTR 50×1.5-15 6003 sunt exprimate in Euro fara TVA si se factureaza la cursul BNR din ziua precedenta.